艾罗能源获得发明专利授权:“功率变换器的控制方法及功率变换系统”

图片来源于网络,如有侵权,请联系删除
证券之星消息,根据天眼查APP数据显示艾罗能源(688717)新获得一项发明专利授权,专利名为“功率变换器的控制方法及功率变换系统”,专利申请号为CN202411419869.X,授权日为2025年5月16日。
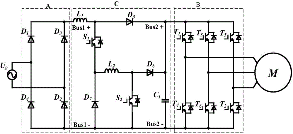
专利摘要:本申请公开了一种功率变换器的控制方法及功率变换系统,功率变换器的控制方法包括:获取功率变换器的输出电压参考值;获取当前时刻功率变换器的输出电压实际值;根据预设的电压区间集,确定输出电压实际值所在的电压区间;根据电压区间对应的预设算法、输出电压参考值及输出电压实际值,获得当前控制周期的控制误差;根据控制误差,采用PID控制算法对功率变换器进行控制;返回至获取当前时刻功率变换器的输出电压实际值的步骤,直至输出电压实际值满足预设精度要求。本申请可在PID控制器参数配置较差时,使功率变换器输出电压平稳地过渡到其参考值,有利于减小功率变换器内部开关管的电压尖峰,提高功率变换器控制系统的鲁棒性。
今年以来艾罗能源新获得专利授权61个,较去年同期增加了69.44%。结合公司2024年年报财务数据,2024年公司在研发方面投入了4.81亿元,同比增75%。
数据来源:天眼查APP
以上内容为证券之星据公开信息整理,由AI算法生成(网信算备310104345710301240019号),不构成投资建议。
目录 返回
首页
