中国石油获得实用新型专利授权:“一种套管头试压保护环专用安装工具”

图片来源于网络,如有侵权,请联系删除
证券之星消息,根据天眼查APP数据显示中国石油(601857)新获得一项实用新型专利授权,专利名为“一种套管头试压保护环专用安装工具”,专利申请号为CN202422621949.5,授权日为2025年10月21日。
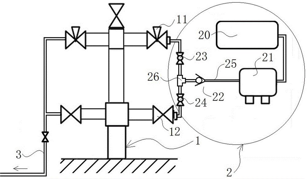
专利摘要:本实用新型提出了一种套管头试压保护环专用安装工具,包括套设在套管头上的安装部,安装部上安装有多个连接件;连接件内沿着套管头的径向旋设有紧固杆,紧固杆上位于安装部内部的端头上转动连接有导向件,导向件的内侧面贴合套管头的外壁;导向件上旋设有沿着套管头的轴向旋设有顶推件,顶推件的底部端头上转动连接有顶压试压保护环的压块件。本安装工具利用连接件与紧固杆的配合,确保安装过程中的稳定性;通过导向件确保顶压力沿套管头轴向精确传递,避免了安装偏差;压块件与顶推件的转动连接确保了压块件能均匀施力于试压保护环,避免使用锤子敲击安装的过程中对套管头上法兰钢圈槽造成损伤,降低了安装人员工作强度,提高了安装效率。
今年以来中国石油新获得专利授权1315个,较去年同期减少了20.83%。结合公司2025年中报财务数据,今年上半年公司在研发方面投入了98.99亿元,同比增2.51%。
通过天眼查大数据分析,中国石油天然气股份有限公司共对外投资了1289家企业,参与招投标项目443次;财产线索方面有商标信息107条,专利信息32993条;此外企业还拥有行政许可168个。
数据来源:天眼查APP
以上内容为证券之星据公开信息整理,由AI算法生成(网信算备310104345710301240019号),不构成投资建议。
目录 返回
首页
