华培动力获得实用新型专利授权:“一种用于数控车床的多工位自动车夹具”

图片来源于网络,如有侵权,请联系删除
证券之星消息,根据天眼查APP数据显示华培动力(603121)新获得一项实用新型专利授权,专利名为“一种用于数控车床的多工位自动车夹具”,专利申请号为CN202422661461.5,授权日为2025年10月28日。
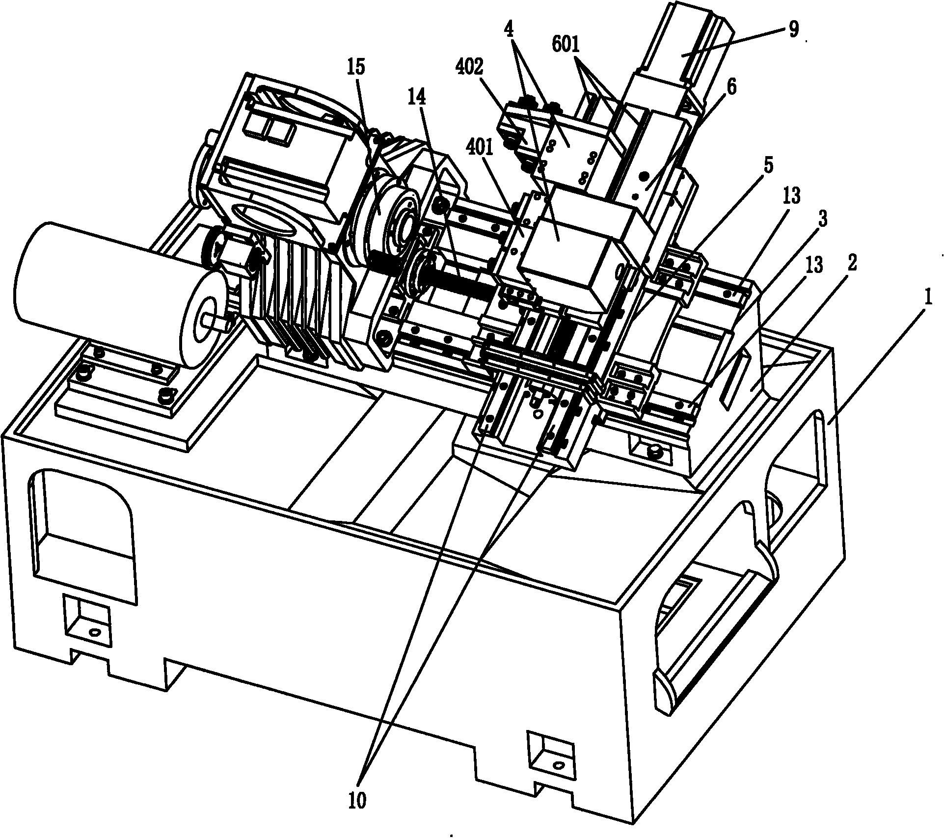
专利摘要:本实用新型涉及一种用于数控车床的多工位自动车夹具,夹具体上设有可滑动的十字燕尾滑块,十字燕尾滑块的一侧为零件夹紧工作面,用以固定被加工零件,另一侧设有背部挡板;夹具体上设有可滑动的压爪,压爪与十字燕尾滑块对应配合设置,被加工零件设置于压爪和十字燕尾滑块之间,压爪与被加工零件之间设有活动压块。使用时,通过十字燕尾滑块的滑动,可以为被加工零件提供多个不同的加工位置,方便连续进行各种车削加工,减少了操作时间,提高了加工效率和加工精度。
今年以来华培动力新获得专利授权10个,较去年同期增加了25%。结合公司2025年中报财务数据,今年上半年公司在研发方面投入了3313.33万元,同比减10.4%。
通过天眼查大数据分析,上海华培数能科技(集团)股份有限公司共对外投资了18家企业;财产线索方面有商标信息18条,专利信息137条;此外企业还拥有行政许可68个。
数据来源:天眼查APP
以上内容为证券之星据公开信息整理,由AI算法生成(网信算备310104345710301240019号),不构成投资建议。
目录 返回
首页
